首页
关于我们
公司概况
企业文化
发展历程
企业荣誉
公司架构
核心产品
全自动玻璃盖板印刷系
全自动烘烤炉系列
3D玻璃全制程系列
其他
新闻中心
公司动态
行业资讯
视频中心
投资者关系
实时行情
公告
信息披露
招贤纳士
员工福利
招贤纳士
投送简历
米兰体育(中国)官方在线登录
EN
/
中文
语言
导航
EN
中文
首页
关于我们
公司概况
企业文化
发展历程
企业荣誉
公司架构
核心产品
全自动玻璃盖板印刷系
全自动烘烤炉系列
3D玻璃全制程系列
其他
新闻中心
公司动态
行业资讯
视频中心
投资者关系
实时行情
公告
信息披露
招贤纳士
员工福利
招贤纳士
投送简历
米兰体育(中国)官方在线登录
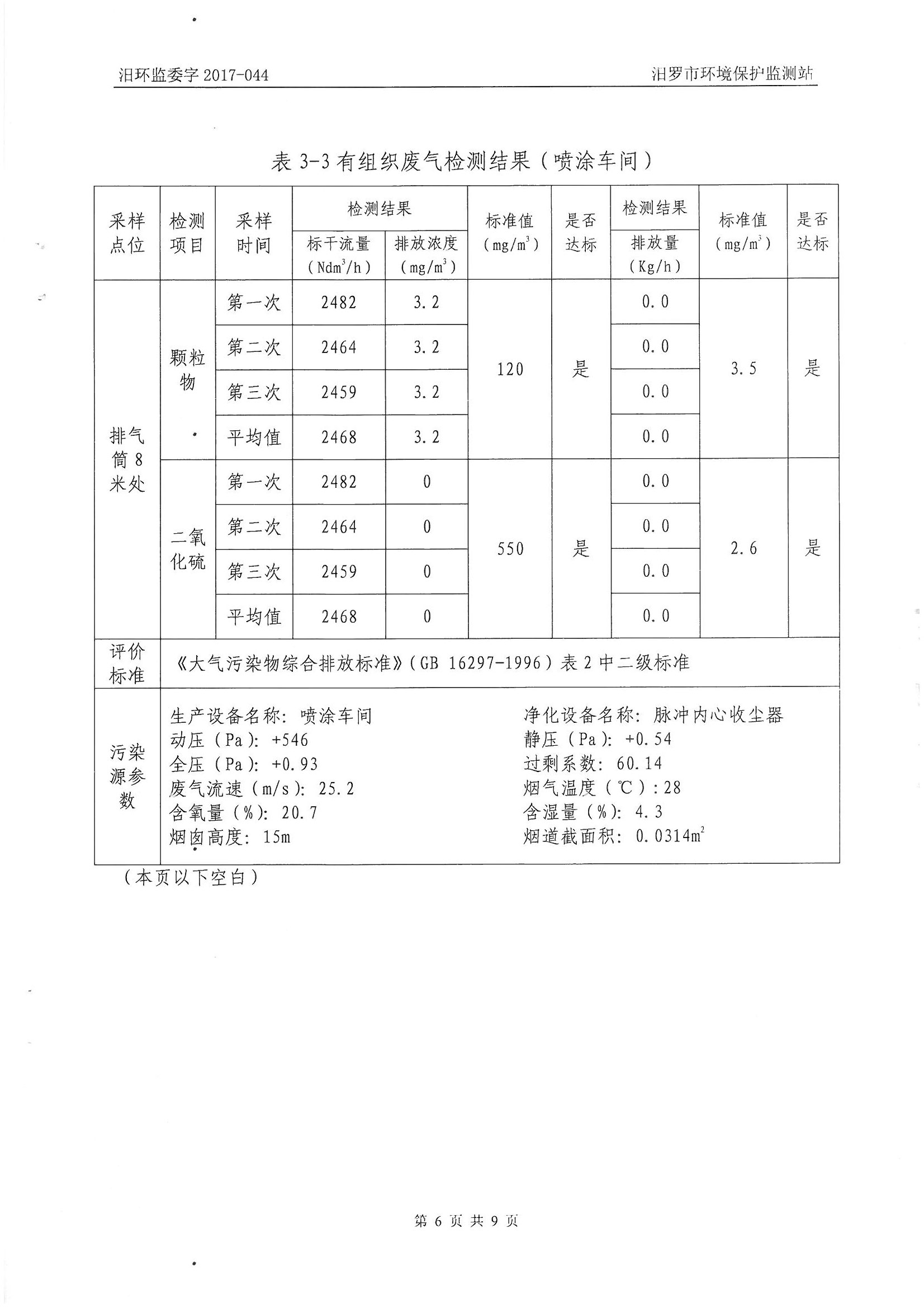
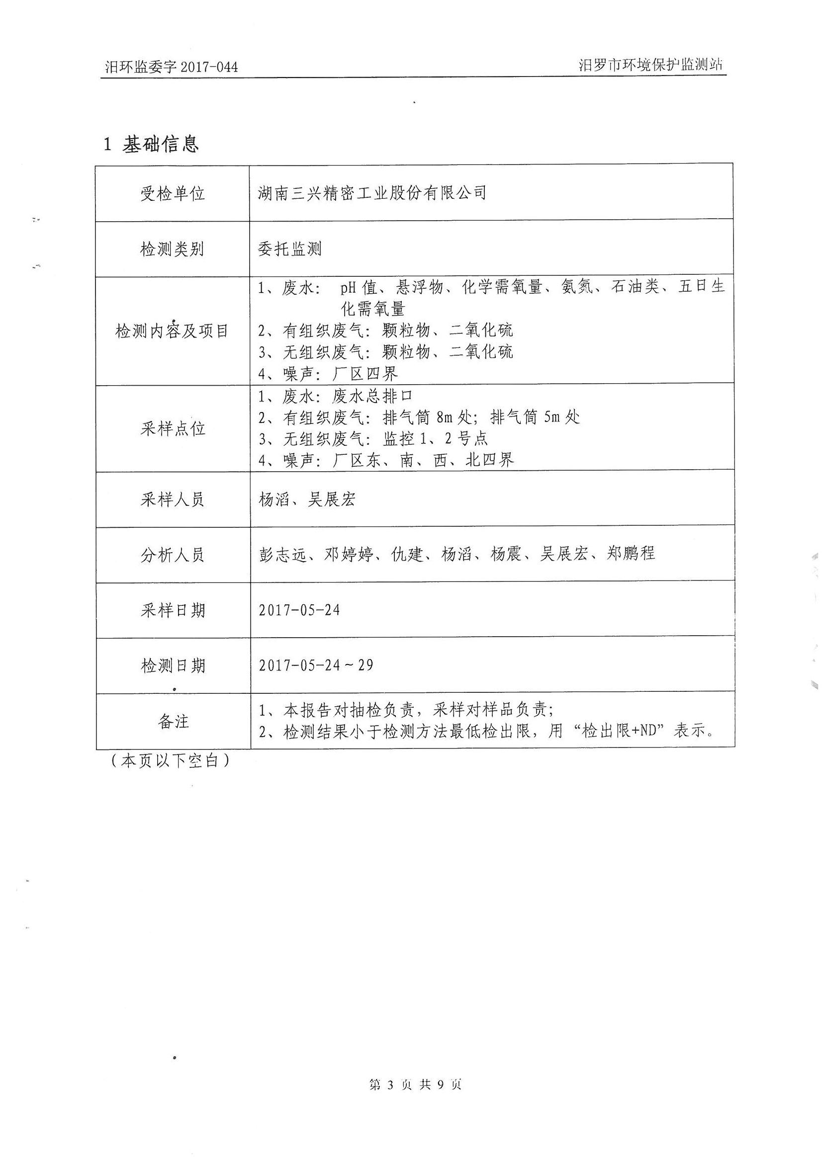
湖南三兴环保监测报告
所属分类:
公司动态
发布时间:
2017-08-22
分享到:
Copyright © 2014-2016 湖南三兴 版权所有 湘ICP备17016185号 执照认证链接
关闭
开云网页版·官方版在线登入
|
开云手机官方版登录入口
|
开云官方app下载站
|
问鼎在线官网(中国)
|
米兰官方网站
|
乐鱼手机登录入口
|
开云手机版登录入口
|
华体会官方网页版
|
开云手机端入口
|